T47H-16C或Q浮球式疏水調節閥(引進前蘇聯原型號T47H-16C浮球式調節閥)適用于電站、化工、制藥、造紙等行業具有加熱器的工業部門,用于除氧汽水箱水位的調節.
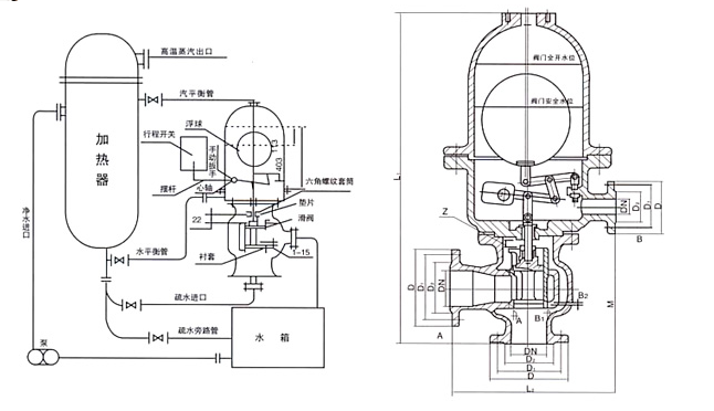
T47H-16C/Q浮球式蒸汽疏水調節閥是利用凝結水液位的變化而使浮球上升和下降,也可以手柄操作,從而驅使下部的啟閉裝置開啟和關閉,實現排水阻氣的功能。
T47H-16C/Q浮球式蒸汽疏水調節閥用于除氧汽水箱水位的調節,有效控制加熱器中的水量多少的必須設備。適用于較大背壓力且不會泄漏蒸汽,排出的凝結水是接近蒸汽壓力的飽和水,故有利于提高本閥門的設備熱效率和二次蒸汽利用的節能特點。
T47H-16C/Q浮球式蒸汽疏水調節閥工作原理:
T47H-16C/Q浮球式蒸汽疏水調節閥隨著凝結水液面上升,當浮球升到距罩蓋底平面403mm時,閥門全開使冷凝結水大量排入水箱。當浮球下降113mm后,閥門全關,冷凝水不能流出,使浮球穩定的限制在113-403mm的空間范圍內變化,從而使閥門達到只能排放空氣和水及高溫冷凝水,而阻止蒸汽泄漏的優越性。
結構示意圖
主要外型及連接尺寸
產日型號
|
公稱通徑
|
主要外形尺寸
|
連接尺寸
|
長
|
寬
|
高
|
L1
|
L2
|
M
|
A-D
|
D1
|
D2
|
b
|
z-Φd
|
DN
|
B-D
|
D1
|
D2
|
b
|
Z-Φd
|
T47H-16C
|
40
|
460
|
540
|
964
|
160
|
240
|
385
|
145
|
110
|
85
|
18
|
4×18
|
40
|
145
|
110
|
85
|
18
|
4×18
|
50
|
160
|
125
|
100
|
20
|
4×18
|
80
|
195
|
160
|
135
|
22
|
8×18
|
100
|
215
|
180
|
155
|
25
|
8×18
|
150
|
470
|
560
|
980
|
280
|
240
|
210
|
30
|
8×23
|
維修保養
1、閥門應存干燥通風的室內,通路兩端須密封。
2、長期存放的閥門應定期檢查,清除污物,并在加工面上涂防銹油。
3、安裝后,應定期進行檢查,主要檢查項目:
(1)密封面磨損情況。
(2)閥桿和閥桿螺母的梯形螺紋磨損情況。
(3)填料是否過時失效,如有損壞應及時更換。
(4)閥門檢修裝配后,應進行密封性能試驗。
量小可支持貨到付款。量大須簽訂合同,買家必須支付30%-100%的預付款。如果貨到沒有按合同支付余款將會負法律責任。如果是貨物出現問題本廠會退還全部貨款!希望廣大客戶多多支持。
售后服務
感謝您選購本公司閥門產品,本公司產品質量保證,價格合理,貨到快捷,售后到位。本產品嚴格按照ISO9001國家質量體系標準進行質量控制。質量問題三個月包換,保修一年.

專業制造、專業服務、為您創造更多價值!
金口閥門致力于滿足用戶的期望,不斷提升服務質量,精益求精,“真誠的服務”是永恒的主題,嚴格按照ISO9001-2000質量體系認證要求,質量嚴格把關,責任到人,確保生產、銷售、服務的一條龍運行.加強與用戶溝通,竭誠為廣大新老客戶提供優質的產品,至善至美服務.
特此我廠做出如下承諾:
產品標準:
產品嚴格按中國GB、HG標準和美國API等標準設計、制造、驗收。密封面硬度達到國家規定要求,寬度超過國家標準.
售前服務:
產品介紹,技術交流,非標產品設計,疑難解答.
售中服務:
1.守信合同,保證及時供貨,隨時保持與客戶聯系.
2.對特殊或復雜的產品,我廠安排介紹人員對用戶進行產品使用、故障排除、調試及維修進行培訓和指導.
售后服務:
- 產品質保期為自簽訂合同生效起12個月,實行“三包”服務,(包退、包換、包修).
- 產品在使用中我廠定期組織技術、質檢人員進行訪問,征詢用戶對產品質量、使用狀況、改進意見等各方面的反饋.
- 對用戶投訴質量問題,快速做出反應,售后服務人員在24-36小時(省外48小時)趕赴現場.
- 對售后服務,要求用戶填寫服務后的質量反饋信息表,并做出鑒定意見,一邊提供的服務質量.