【日標截止閥】的啟閉件是塞形的閥瓣,密封面呈平面或錐面 ,閥瓣沿流體的中心線作 直線運動。閥桿的運動形式,有升降桿式/桿升降,手輪不升降,也有升降 旋轉桿式〔手輪與閥桿一起旋轉升降,螺母設在閥體上〕。日標截止閥只適用于全開和全關,不允許作調節和節流。日標截止閥屬于強制密封式閥門,所以在閥門關閉時,必須向閥瓣施加壓力,以強制密封面不 泄漏。當介質由閥瓣下方進入閥門時,操作力所需克服的阻力,是閥桿和填料的摩擦力與由介質的壓力 所產生的推力,關于日標截止閥的力比開日標截止閥的力大,所以閥桿的直徑要大,否則會發生閥桿頂彎的故障。
【產品用途】
日標截止閥廣泛應用于市政建設、農田水利、火力發電、石油化工、冶金礦山、消防環保、食品、航運、醫藥和輕紡等各個領域。
設計與制造
|
結構長度
|
法蘭尺寸
|
壓力-溫度
|
試驗—檢驗
|
JIS B2071 B2081
|
JIS B2002
|
JIS B2212 B2214
|
JIS B2071 B2081
|
JISB2003
|
日標截止閥性能規范:
閥體材料
|
SCPH2-11
|
SCPH-32
|
SCS13A
|
SCS19A
|
SCS14A
|
SCS16A
|
SCPL1
|
適用溫度
|
≤425
|
≤540
|
≤275
|
≤200
|
≤275
|
≤200
|
-45-150
|
適用介質
|
水、蒸汽、油品
|
硝酸類
|
醋酸類
|
氨氣液氨
|
日標截止閥規格主要尺寸:
10K
|
DN
|
in
|
L
|
D
|
D1
|
D2
|
b
|
n-ød
|
H
|
Do
|
50
|
2
|
203
|
155
|
120
|
100
|
16
|
4-ø19
|
360
|
200
|
65
|
21/2
|
216
|
175
|
140
|
120
|
18
|
4-ø19
|
380
|
200
|
80
|
3
|
241
|
185
|
150
|
130
|
18
|
8-ø19
|
415
|
250
|
100
|
4
|
292
|
210
|
175
|
155
|
18
|
8-ø19
|
465
|
250
|
125
|
5
|
356
|
250
|
210
|
185
|
20
|
8-ø23
|
515
|
300
|
150
|
6
|
406
|
280
|
240
|
215
|
22
|
8-ø23
|
545
|
350
|
200
|
8
|
495
|
330
|
290
|
265
|
22
|
12-ø23
|
675
|
450
|
20K
|
50
|
2
|
267
|
155
|
120
|
100
|
18
|
8-ø19
|
420
|
200
|
65
|
21/2
|
292
|
175
|
140
|
120
|
20
|
8-ø19
|
465
|
250
|
80
|
3
|
318
|
200
|
160
|
135
|
22
|
8-ø23
|
490
|
300
|
100
|
4
|
356
|
225
|
185
|
160
|
24
|
8-ø23
|
590
|
350
|
125
|
5
|
400
|
270
|
225
|
195
|
26
|
8-ø25
|
690
|
400
|
150
|
6
|
444
|
305
|
260
|
230
|
28
|
12-ø25
|
760
|
450
|
200
|
8
|
559
|
350
|
305
|
275
|
30
|
12-ø25
|
1070
|
450
|
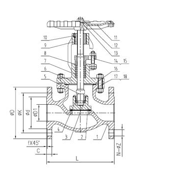
日標截止閥結構圖:


專業制造、專業服務、為您創造更多價值!
金口閥門致力于滿足用戶的期望,不斷提升服務質量,精益求精,“真誠的服務”是永恒的主題,嚴格按照ISO9001-2000質量體系認證要求,質量嚴格把關,責任到人,確保生產、銷售、服務的一條龍運行.加強與用戶溝通,竭誠為廣大新老客戶提供優質的產品,至善至美服務.
特此我廠做出如下承諾:
產品標準:
產品嚴格按中國GB、HG標準和美國API等標準設計、制造、驗收。密封面硬度達到國家規定要求,寬度超過國家標準.
售前服務:
產品介紹,技術交流,非標產品設計,疑難解答.
售中服務:
1.守信合同,保證及時供貨,隨時保持與客戶聯系.
2.對特殊或復雜的產品,我廠安排介紹人員對用戶進行產品使用、故障排除、調試及維修進行培訓和指導.
售后服務:
- 產品質保期為自簽訂合同生效起12個月,實行“三包”服務,(包退、包換、包修).
- 產品在使用中我廠定期組織技術、質檢人員進行訪問,征詢用戶對產品質量、使用狀況、改進意見等各方面的反饋.
- 對用戶投訴質量問題,快速做出反應,售后服務人員在24-36小時(省外48小時)趕赴現場.
- 對售后服務,要求用戶填寫服務后的質量反饋信息表,并做出鑒定意見,一邊提供的服務質量.